Telethon Sniffer Update

With the Telethon quickly approaching, some changes had to be made to the sniffer device that we’ve been working on. Unfortunately, as much as I wanted to make a completely custom board with an MCU, we’ve had to scale down our plans. Now, we will be using an STM32 Nucleo F303RE as the heart of the board, and using that to manage everything.

The STM32 Nucleo F303RE board that will be used in our design.

Hopefully this decision will allow us to save on development time, and also make our lives easier considering it comes with a built in hardware debugger and other useful utilities. After this decision, I had to make a new symbol and footprint for this board. Luckily, the “morpho” connectors (the pin headers on both sides) are simply just 2x19 2.54mm headers, meaning a socket with the same specs can be used to connect to it.

The symbol I made for the STM32 Nucleo with our global nets connected.

The footprint I made for the STM32 Nucleo, which also includes the two 1×2 ground connectors on the top for added support.

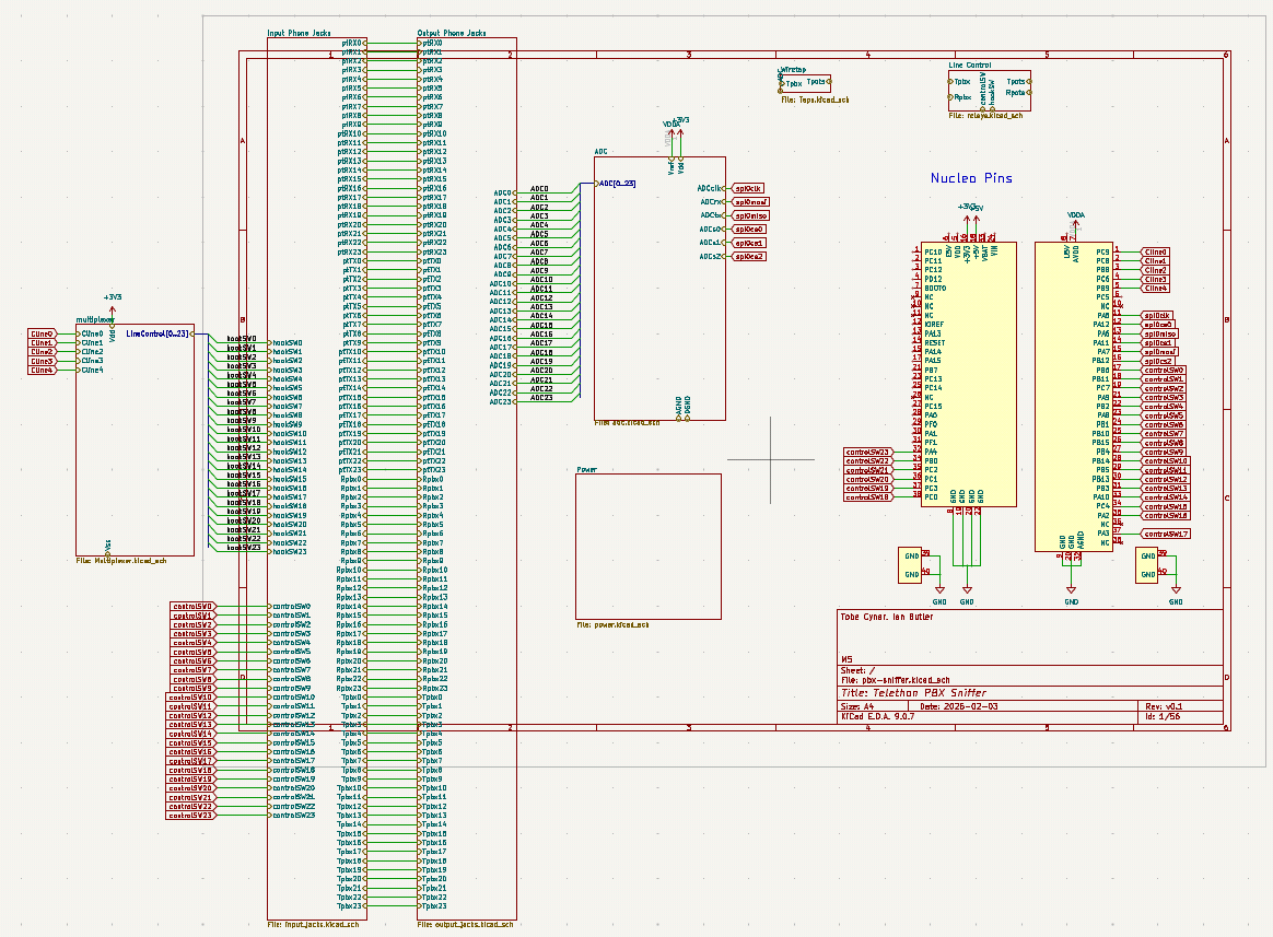
Now, all we have to focus on is getting all the components connected together and laid out on a board. Hopefully, writing all the software for this device won’t take so long either considering how much we still have to do. Considering this board has to support 24 phones total, it looks pretty crazy right now in our schematic view due to the number of connections we have to manage.

The entire schematic so far… its a little crazy.

Hopefully our next update will include a PCB design!

Previous
Previous

Why I’m saving my resistor legs

Next
Next

Making a Solenoid